успешной работы
товаров в каталоге
сделок в месяц
постоянных клиентов
Модели нет в наличии
Рекомендуем устройство плавного пуска Instart SNI-15/30-04 15 кВт 380В
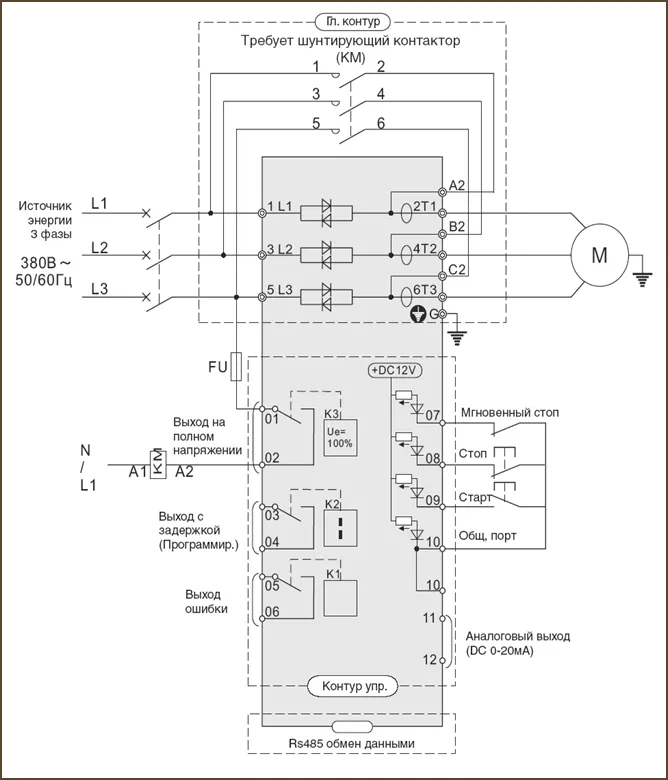
Устройства плавного пуска PRS2 с успехом выполняют следующие функции:
- Контролируемый запуск электродвигателя
- Контролируемая остановка электродвигателя
- Электронная защита электродвигателя как в процессе запуска, так и в длительном режиме
Цифровая серия с управлением по трем фазам по конкурентоспособной цене. Одно из лучших предложений на Российском рынке по соотношению цена-технические возможности.
ОСНОВНЫЕ ПАРАМЕТРЫ УПП
|
|
|---|---|
|
|
|
|
|
|
|
|
|
|
|
|
|
|
|
|
|
|
|
|
СХЕМА ПОДКЛЮЧЕНИЯ УПП
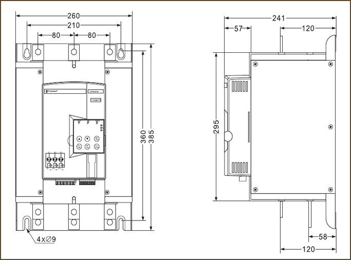
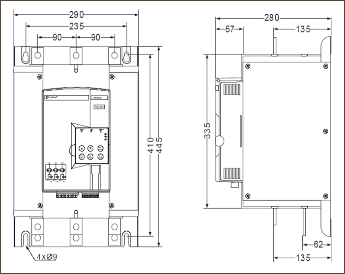
ГАБАРИТНЫЕ И ПРИСОЕДИНИТЕЛЬНЫЕ РАЗМЕРЫ УПП
Устройства PRS2 005 … PRS 075
Устройства PRS 090 … PRS 200
Устройства PRS 250 … PRS 500
|
Название производителя
|
PROSTAR |
|
Мощность, кВт
|
15 |
|
Серия
|
PRS2 |
|
Напряжение, В
|
380 |
|
Модель
|
PRS2 |
|
Ток (А)
|
28 |
|
Степень защиты
|
20 |
|
Гарантия
|
12 месяцев |
Для покупки товара в нашем интернет-магазине выберите понравившийся товар и добавьте его в корзину. Далее перейдите в Корзину и нажмите на «Оформить заказ» или «Быстрый заказ».
Когда оформляете быстрый заказ, напишите ФИО, телефон и e-mail. Вам перезвонит менеджер и уточнит условия заказа. По результатам разговора вам придет подтверждение оформления товара на почту или через СМС. Теперь останется только ждать доставки и радоваться новой покупке.
Оформление заказа в стандартном режиме выглядит следующим образом. Заполняете полностью форму по последовательным этапам: адрес, способ доставки, оплаты, данные о себе. Советуем в комментарии к заказу написать информацию, которая поможет курьеру вас найти. Нажмите кнопку «Оформить заказ».
Оплачивайте покупки удобным способом. В интернет-магазине доступно 3 варианта оплаты:
- Наличные при самовывозе или доставке курьером. Специалист свяжется с вами в день доставки, чтобы уточнить время и заранее подготовить сдачу с любой купюры. Вы подписываете товаросопроводительные документы, вносите денежные средства, получаете товар и чек.
- Безналичный расчет при самовывозе или оформлении в интернет-магазине: карты Visa и MasterCard. Чтобы оплатить покупку, система перенаправит вас на сервер системы ASSIST. Здесь нужно ввести номер карты, срок действия и имя держателя.
- Электронные системы при онлайн-заказе: PayPal, WebMoney и Яндекс.Деньги. Для совершения покупки система перенаправит вас на страницу платежного сервиса. Здесь необходимо заполнить форму по инструкции.
Экономьте время на получении заказа. В интернет-магазине доступно 4 варианта доставки:
- Курьерская доставка в в Йошкар-Оле работает с 9.00 до 19.00. Когда товар поступит на склад в в Йошкар-Оле, курьерская служба свяжется для уточнения деталей. Специалист предложит выбрать удобное время доставки и уточнит адрес. Осмотрите упаковку на целостность и соответствие указанной комплектации.
- Самовывоз из магазина в в Йошкар-Оле. Список торговых точек для выбора появится в корзине. Когда заказ поступит на склад, вам придет уведомление. Для получения заказа обратитесь к сотруднику в кассовой зоне и назовите номер.
- Постамат. Когда заказ поступит на точку в в Йошкар-Оле, на ваш телефон или e-mail придет уникальный код. Заказ нужно оплатить в терминале постамата. Срок хранения — 3 дня.
- Почтовая доставка через почту России. Когда заказ придет в отделение в в Йошкар-Оле, на ваш адрес придет извещение о посылке. Перед оплатой вы можете оценить состояние коробки: вес, целостность. Вскрывать коробку самостоятельно вы можете только после оплаты заказа. Один заказ может содержать не больше 10 позиций и его стоимость не должна превышать 100 000 р.



